
什么是加工精度?加工精度是加工后零件表面的實際尺寸、形狀、位置三種幾何參數與圖紙要求的理想幾何參數的符合程度。理想的幾何參···
了解詳情
你知道機械加工圖紙上常見的螺紋種類有哪些嗎?依螺紋用途不同可分為:1、國際公制標準螺紋(international metric thread system···
了解詳情
在機械加工行業的圖紙上,我們常會看一些大寫字母代表的螺紋符號,如npt、pt、pf、g 、zg等,你知道它們的含義嗎?npt美國規格的···
了解詳情
在大型機械零件加工前,一定要注意原材料的密度,如果密度太大,相當于硬度也很大,而硬度要是超過車床車刀的硬度,就是無法加工···
了解詳情
在機械加工行業中,會常見圖紙要求零件表面要做電鍍,如鍍鋅、鍍鎘、鍍鉻、鍍鎳等,但你知道它們的具體區別嗎?鍍鋅特點:鋅在干···
了解詳情
一般技術要求1. 零件去除氧化皮。2. 零件加工表面上,不應有劃痕、擦傷等損傷零件表面的缺陷。3. 去除毛刺飛邊。熱處理要求1. 經···
了解詳情
表面粗糙度(英文名surface roughness)與機械零件的配合性質、耐磨性、疲勞強度、接觸剛度、振動和噪聲等有密切關系,對機械產品···
了解詳情
機械零件在加工過程中,由于切削時金屬表面的塑性變形和加工機床震動以及刀具在表面上留下的刀痕等因素的影響,使所加工的零件的···
了解詳情
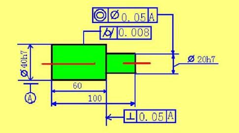
一、尺寸公差、形位公差、表面粗糙度數值上的關系1、形狀公差與尺寸公差的數值關系當尺寸公差精度確定后,形狀公差有一個適當的數···
了解詳情